桂林市邁特光學儀器有限公司
Guilin Microtech Optical Instrument Co., Ltd. (MTO)
中文丨ENGLISH
產品搜索
請選擇產品類別
請選擇具體產品
● 包括MZDA1490BC(雙目)、MZDA1490BTC(三目)
● 獨創的成像和照明光學系統設計,使它有更好的對比度和景深
● 同時進行視頻顯示和雙目目視觀察,目視觀察成正像
● 適用于各種物體的觀察和檢測,特別適合LCD、平面印刷品和其它高、低反射率同時存在的物品的檢測
主要優點:高對比度,高清晰度,能看清包括LCD、芯片、晶圓等幾乎一切物體,特別適合于高端研究用。
目視放大倍率
標準目視總放大倍率14X~90X ,配2X附加物鏡和30X目鏡,最大倍率540X
連續變倍范圍
1.4X~9X
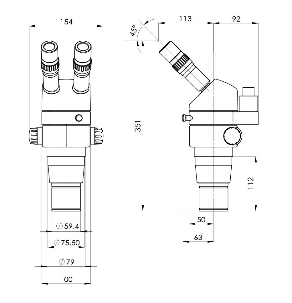
工作距離
103mm
鏡筒
雙目頭目鏡筒傾斜45°
光源
長壽命,多種顏色超強LED同軸照明
瞳距調節范圍
52mm~76mm
視度調節范圍
±6屈光度
調焦范圍
50mm
支架與主機配合尺寸
Φ45mm
● 雙目目視觀察
目鏡
光學項目
主機
加0.7X附加物鏡
加2X附加物鏡
10X/Φ22
總放大倍率
14X~90X
9.8X~63X
28X~180X
視場范圍(mm)
Φ15.7~Φ2.44
Φ22.4~Φ3.5
Φ7.86~Φ1.22
15X/Φ17
21X~135X
14.7X~94.5X
42X~270X
Φ12.14~Φ1.89
Φ17.35~Φ2.7
Φ6.07~Φ0.94
20X/Φ14
19.6X~126X
56X~360X
Φ10~Φ1.56
Φ14.29~Φ2.22
Φ5~Φ0.78
30X/Φ9
29.4X~189X
84X~540X
Φ6.43~Φ1
Φ9.18~Φ1.43
Φ3.21~Φ0.5
工作距離(mm)
103
145
35
變倍主體連續變倍范圍:1.4X~9X
● 視頻顯示
附加物鏡
CCD接頭
0.5X
1X
1X 主機
總光學放大倍率
0.7X~4.5X
5.14X6.86~0.8X1.07
2.57X3.43~0.4X0.53
0.7X
0.49X~3.15X
0.98X~6.3X
7.35X9.8~1.14X1.52
3.67X4.9~0.57X0.76
2X
2.8X~18X
1.29X1.71~0.2X0.27
底座組 SD1-D~SD18-D 目鏡 10X, 15X, 20X, 30X 分劃目鏡 10X, 15X, 20X 測微尺 CM0.1X, CM0.1XY, CMS0.2 附加物鏡 DA-W0.7, DA-W2.0 CCD接頭 C0.5、C1.0 數碼相機接頭 DT01 顯微攝影裝置 PT02 1X帶測微尺CCD接頭 CDM1.0 注:使用時,需與CCD接頭配合使用。 機械載物臺 S7665, S10086 注:載物臺如需安裝在我司底座上時,請提前說明,底座需特殊訂做——增加螺釘孔。
底座組
SD1-D~SD18-D
10X, 15X, 20X, 30X
分劃目鏡
10X, 15X, 20X
測微尺
C0.5、C1.0
數碼相機接頭
DT01
顯微攝影裝置
PT02
1X帶測微尺CCD接頭
CDM1.0
注:使用時,需與CCD接頭配合使用。
機械載物臺
S7665, S10086 注:載物臺如需安裝在我司底座上時,請提前說明,底座需特殊訂做——增加螺釘孔。
公司簡介
企業文化
榮譽認證
總裁致辭
新產品
單筒
多功能連續變倍視頻顯微一體機
體視
MTV機器視覺系列
附件匯總
其它產品
定制鏡頭
體視顯微鏡
單筒視頻顯微系統
微電子精密成像
自動化設備
工業相機、智能機器人
生物、醫療
教育、科研
環保、材料、公安刑偵
新聞信息
招賢納士
下載資料
0773-5823609/5812510/2673200
http://www.houlder.com.cn
桂林市高新區信息產業園D-3號
[手機官方網站]
[邁特官方微信]
聯系我們丨在線地圖